最大参考流量1600mL/min
BZ系列标准型蠕动泵泵头
标准型蠕动泵泵头BZ25滚轮采用不锈钢材料,外壳采用PC材料,晶莹剔透,一目了然,透明的外壳易于观察泵的运行。
  • BZ系列标准型蠕动泵泵头
  • BZ系列标准型蠕动泵泵头
  • BZ系列标准型蠕动泵泵头
  • BZ系列标准型蠕动泵泵头
产品特点

标准型蠕动泵泵头BZ25滚轮采用不锈钢材料,外壳采用PC材料,晶莹剔透,一目了然,透明的外壳易于观察泵的运行

原始设计,泵头型号与适用软管规格一一对应,运行稳定,方便于OEM方式配套应用

最大参考流量1600mL/min。

技术参数
参数 BZ系列
最大参考流量(单通道) 1600mL/min
转速范围 ≤600rpm
适配软管规格 14#,16#,25#,17#,24#
通道数量 1
滚轮数量 3
外壳材质 PC
滚轮材质 不锈钢
可否串联安装
重量 0.31kg
演示视频
  • 利来国际w66最老品牌BZ25蠕动泵头软管安装和拆卸视频

  • 利来国际w66最老品牌BZ25蠕动泵头软管安装和拆卸视频
应用场景

详细参数


产品型号

产品编号

滚轮数量

滚轮材料

外壳材料

转速范围

(rpm)

适用软管规格

最大参考流量

(mL/min)

(kg)

BZ15-13-A

05.01.01A

3

不锈钢

PC

≤600

14#

150

0.31

BZ15-13-B

05.01.01B

16#

460

BZ15-13-C

05.01.01C

25#

960

BZ15-13-D

05.01.01D

17#

1600

BZ25-13-B

05.01.00B

24#

1600

FG15-13-A(短轴)

05.01.63A

3

PA6

IXEF

≤600

13# 14# 19# 

16# 25# 17# 18#

2400

0.28

FG15-13-B(长轴)

05.01.63B

FG25-13-A(短轴)

05.01.64A

15# 24#

2200

FG25-13-B(长轴)

05.01.64B


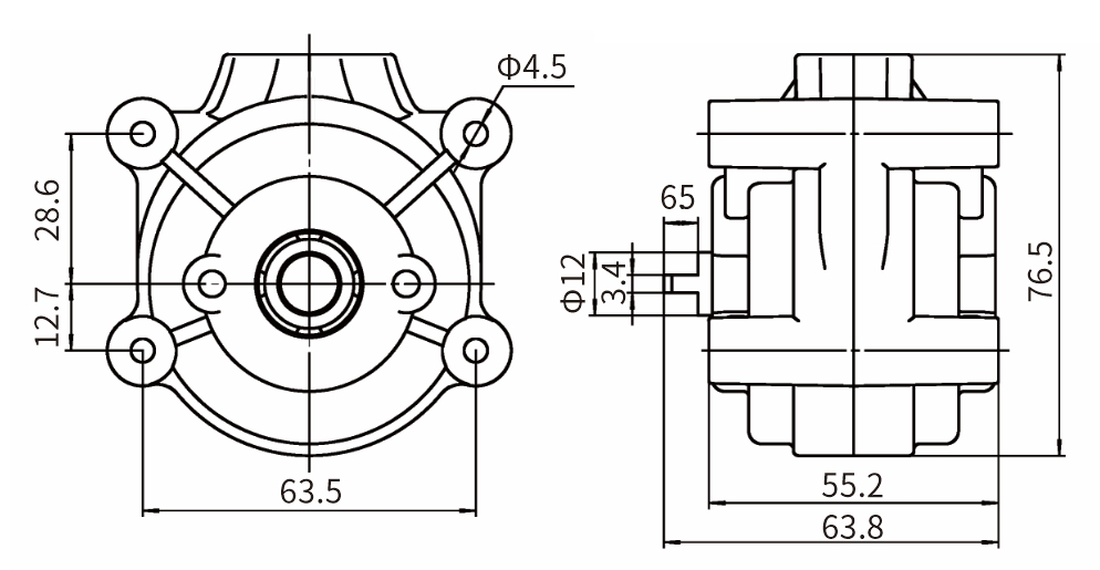
外形


BZ.png




流量曲线图


BZ15.jpgBZ25.jpg

  • 产品特点
  • 技术参数
  • 演示视频
  • 应用场景
相关产品
需要帮助?
  • 产品咨询

    如需购买或了解更多产品信息,请联系我们,我们的团队非常乐意为您提供帮助。

    立即咨询

免责声明

感谢您(以下称“本服务”)。在使用本服务前,请您务必仔细阅读并透彻理解本声明。一旦您开始使用本服 务,您的使用行为将被视为对本声明全部内容的认可。 感谢您(以下称“本服务”)。在使用本服务前,请您务必仔细阅读并透彻理解本声明。一旦您开始使用本服 务,您的使用行为将被视为对本声明全部内容的认可。 感谢您(以下称“本服务”)。在使用本服务前,请您务必仔细阅读并透彻理解本声明。一旦您开始使用本服 务,您的使用行为将被视为对本声明全部内容的认可。 感谢您(以下称“本服务”)。在使用本服务前,请您务必仔细阅读并透彻理解本声明。一旦您开始使用本服 务,您的使用行为将被视为对本声明全部内容的认可。 感谢您(以下称“本服务”)。在使用本服务前,请您务必仔细阅读并透彻理解本声明。一旦您开始使用本服 务,您的使用行为将被视为对本声明全部内容的认可。 感谢您(以下称“本服务”)。在使用本服务前,请您务必仔细阅读并透彻理解本声明。一旦您开始使用本服 务,您的使用行为将被视为对本声明全部内容的认可。

欢迎您留言咨询

我们的工作人员将尽快与您取得联系。如需即时服务或支持,请随时拨打我们的服务热线: 400-620-5333,我们将竭诚为您服务。
  • 姓名*

  • 电话*

  • 邮箱

  • 公司*

  • 城市*

  • *验证码

  • 请详细描述您的需求*

我们承诺,通过本网站提交的所有信息将遵循我们的 隐私政策  进行安全处理和保护。

意见