最大参考流量11000mL/min
KZ35不锈钢快装型蠕动泵泵头
不锈钢快装型蠕动泵泵头KZ35采用全不锈钢材质,工业专用。主要零件采用304不锈钢材质,符合GMP标准要求,可以在制药、食品等有卫生等级要求的领域应用。具有流量范围大、运行稳定可靠、耐腐蚀等特点。
  • KZ35不锈钢快装型蠕动泵泵头
  • KZ35不锈钢快装型蠕动泵泵头
  • KZ35不锈钢快装型蠕动泵泵头
  • KZ35不锈钢快装型蠕动泵泵头
产品特点

不锈钢快装型蠕动泵泵头KZ35采用全不锈钢材质,工业专用

主要零件采用304不锈钢材质,符合GMP标准要求,可以在制药、食品等有卫生等级要求的领域应用

泵头采用压块与泵体分离的结构,泵体外表面经过镜面抛光处理,既美观大方又便于清洁

有两种卡管方式:连续软管管卡和管接头方式管卡

具有流量范围大、运行稳定可靠、耐腐蚀等特点,同时根据用户需求,可实现双泵头串联使用

最大参考流量:11000mL/min

技术参数
参数 KZ35
最大参考流量(单通道) 11000mL/min
转速范围 ≤600rpm
适配软管规格 73#,82#
通道数量 1
滚轮数量 3
外壳材质 不锈钢
滚轮材质 不锈钢
可否串联安装
重量 3.7kg
演示视频
  • 利来国际w66最老品牌KZ35不锈钢蠕动泵泵头管卡方式安装视频

  • 利来国际w66最老品牌KZ35蠕动泵泵头管接头方式安装视频

  • 利来国际w66最老品牌不锈钢蠕动泵泵头KZ35安装YT600-1J过程演示

  • 利来国际w66最老品牌KZ35不锈钢蠕动泵泵头管卡方式安装视频
  • 利来国际w66最老品牌KZ35蠕动泵泵头管接头方式安装视频
  • 利来国际w66最老品牌不锈钢蠕动泵泵头KZ35安装YT600-1J过程演示
应用场景

详细参数


产品型号

主轴类型

产品编号

滚轮数量

滚轮材质

外壳材质

适用软管规格

转速范围

最大参考流量

(mL/min)

重量(kg)

KZ35-13-A

长轴

05.01.26A

3

不锈钢

不锈钢

26#,73#,82#

≤600rpm

11000

3.7

KZ35-13-B

短轴

05.01.26B

26#,73#,82#

≤600rpm

11000

KZ35-13-C

长轴

05.01.74C

26#,73#,82#

≤600rpm

11000

82A#, 184#

≤300rpm

9000

KZ35-13-D

短轴

05.01.74D

26#,73#,82#

≤600rpm

11000

82A#, 184#

≤300rpm

9000


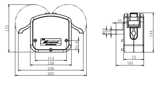
外形


1726320303301.jpg

流量曲线图


KZ35 流量曲线.jpg

  • 产品特点
  • 技术参数
  • 演示视频
  • 应用场景
相关产品
需要帮助?
  • 产品咨询

    如需购买或了解更多产品信息,请联系我们,我们的团队非常乐意为您提供帮助。

    立即咨询

免责声明

感谢您(以下称“本服务”)。在使用本服务前,请您务必仔细阅读并透彻理解本声明。一旦您开始使用本服 务,您的使用行为将被视为对本声明全部内容的认可。 感谢您(以下称“本服务”)。在使用本服务前,请您务必仔细阅读并透彻理解本声明。一旦您开始使用本服 务,您的使用行为将被视为对本声明全部内容的认可。 感谢您(以下称“本服务”)。在使用本服务前,请您务必仔细阅读并透彻理解本声明。一旦您开始使用本服 务,您的使用行为将被视为对本声明全部内容的认可。 感谢您(以下称“本服务”)。在使用本服务前,请您务必仔细阅读并透彻理解本声明。一旦您开始使用本服 务,您的使用行为将被视为对本声明全部内容的认可。 感谢您(以下称“本服务”)。在使用本服务前,请您务必仔细阅读并透彻理解本声明。一旦您开始使用本服 务,您的使用行为将被视为对本声明全部内容的认可。 感谢您(以下称“本服务”)。在使用本服务前,请您务必仔细阅读并透彻理解本声明。一旦您开始使用本服 务,您的使用行为将被视为对本声明全部内容的认可。

欢迎您留言咨询

我们的工作人员将尽快与您取得联系。如需即时服务或支持,请随时拨打我们的服务热线: 400-620-5333,我们将竭诚为您服务。
  • 姓名*

  • 电话*

  • 邮箱

  • 公司*

  • 城市*

  • *验证码

  • 请详细描述您的需求*

我们承诺,通过本网站提交的所有信息将遵循我们的 隐私政策  进行安全处理和保护。 

意见