医疗设备、分析仪器、制药机械
T100 通信控制57步进电机一体机
T100-SC02-01是主要用于仪器设备配套的OEM蠕动泵驱动器,可适配YZ15, YZ25, FG15, FG25, BZ等蠕动泵泵头。采用57步进电机,电机与驱动集成为一体机,结构紧凑,体积小巧。通过RS485接口(支持Modbus RTU协议)对泵进行通信控制。
  • T100 通信控制57步进电机一体机
  • T100 通信控制57步进电机一体机
  • T100 通信控制57步进电机一体机
  • T100 通信控制57步进电机一体机
  • T100 通信控制57步进电机一体机
  • T100 通信控制57步进电机一体机
产品特点

采用57步进电机,电机驱动与电机集成为一体,体积小巧,结构紧凑

通过RS485 (支持Modbus RTU协议)对泵进行通信控制

可适配多种蠕动泵泵头,提供宽泛的流量范围

技术参数
参数 T100-SC02-01
电机类型 步进电机
是否含控制板
最大参考流量(单通道) ≤500mL/min
含泵头型号
转速范围 ≤100rpm
转速控制 RS485接口,支持Modbus RTU和利来国际w66最老品牌OEM协议
控制功能 通过通信指令控制转速、启停、方向、全速状态
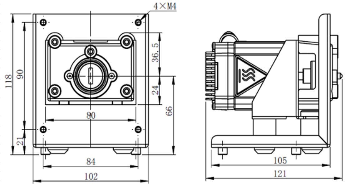
外形尺寸 121x102x118(mm)
安装方式 支持面板安装或底板安装
适用电源 DC24V/15W
工作环境温度 0℃-40℃
工作环境湿度 <80%
重量 1.29kg
演示视频
  • 利来国际w66最老品牌57步进电机一体机外控信号控制

  • 利来国际w66最老品牌57步进电机一体机通讯方式控制

  • 利来国际w66最老品牌57步进电机一体机DIP拨码开关设置转速

  • 利来国际w66最老品牌57步进电机一体机外控信号控制
  • 利来国际w66最老品牌57步进电机一体机通讯方式控制
  • 利来国际w66最老品牌57步进电机一体机DIP拨码开关设置转速

详细参数



T100-SC02-01

T300-SC02-01

T600-SC02-01

转速范围

0-100rpm

0-300rpm

0-600rpm

控制分辨率

0.1rpm

1rpm

1rpm

控制功能

通过通信指令控制泵的转速、启停、方向和全速状态。泵的上电运行状态可设。RS485接口,支持Modbus RTU协议和利来国际w66最老品牌OEM协议

通信控制参数

波特率:1200bps, 9600bps, 19200bps, 115200bps

校验位:无校验或偶校验

通信地址:1-32

停止位:1位停止位

输出功能

DC5V 100mA

适配电源要求

DC24V/15W

DC24V/45W

DC24V/55W

外形尺寸(L*W*H)

121x102x118(mm)

143x102x118(mm)

安装方式

支持面板安装或者底板安装

工作环境参数

温度0℃-40℃,湿度<80%

产品重量(不含泵头)

1.29kg

1.61kg


适配泵头软管及流量


适配泵头

适配软管

最大参考流量

(mL/min)

T100-SC02-01

最大参考流量

(mL/min)

T300-SC02-01 

最大参考流量

(mL/min)

T600-SC02-01 

YZ1515X,YZII15

13#,14#,19#,16#,25#,17#,18#

380

1100

2200

YZ2515X

15#,24#

270

800

1600

YZII25

15#,24#,35#,36#

500

1500

3000

FG15-13

13#,14#,19#,16#,25#,17#,18#

430

1200

2400

FG25-13

15#,24#

320

1100

2200

DMD15-13-B

DMD15-13-D

2x13#, 2x14#, 2x19#, 2x16#, 2x25#

375

1035

2070

BZ15-13-A

14#

22

75

150

BZ15-13-B

16#

80

230

460

BZ15-14-C

25#

150

480

960

BZ15-14-D

17#

270

800

1600

BZ25-13-B

24#

250

800

1600

DG15-24

16#,25#,17#

300(单通道)

900(单通道)

1800(单通道)

DG15-28

13#,14#

内径≤3.17mm 壁厚0.8-1mm

75(单通道)

不推荐

不推荐

DG-(1,2,4,6,8) 6滚轮

内径≤3.17mm 壁厚0.8-1mm

48(单通道)

不推荐

不推荐

DG-(1,2,4) 10滚轮

内径≤3.17mm 壁厚0.8-1mm

32(单通道)

不推荐

不推荐

BPH01

13#,14#,19#,16#,25#

80

240

530


外形尺寸图


SC01  100.png

流量曲线图


DG 系列 (6滚轮)-CN.jpg

DG15-24.jpg

DMD15-13-B.jpg

FG25-13.jpg

YZ2515x,YZⅡ25.jpg



  • 产品特点
  • 技术参数
  • 演示视频
  • 应用场景
相关产品
需要帮助?
  • 产品咨询

    如需购买或了解更多产品信息,请联系我们,我们的团队非常乐意为您提供帮助。

    立即咨询

免责声明

感谢您(以下称“本服务”)。在使用本服务前,请您务必仔细阅读并透彻理解本声明。一旦您开始使用本服 务,您的使用行为将被视为对本声明全部内容的认可。 感谢您(以下称“本服务”)。在使用本服务前,请您务必仔细阅读并透彻理解本声明。一旦您开始使用本服 务,您的使用行为将被视为对本声明全部内容的认可。 感谢您(以下称“本服务”)。在使用本服务前,请您务必仔细阅读并透彻理解本声明。一旦您开始使用本服 务,您的使用行为将被视为对本声明全部内容的认可。 感谢您(以下称“本服务”)。在使用本服务前,请您务必仔细阅读并透彻理解本声明。一旦您开始使用本服 务,您的使用行为将被视为对本声明全部内容的认可。 感谢您(以下称“本服务”)。在使用本服务前,请您务必仔细阅读并透彻理解本声明。一旦您开始使用本服 务,您的使用行为将被视为对本声明全部内容的认可。 感谢您(以下称“本服务”)。在使用本服务前,请您务必仔细阅读并透彻理解本声明。一旦您开始使用本服 务,您的使用行为将被视为对本声明全部内容的认可。

欢迎您留言咨询

我们的工作人员将尽快与您取得联系。如需即时服务或支持,请随时拨打我们的服务热线: 400-620-5333,我们将竭诚为您服务。
  • 姓名*

  • 电话*

  • 邮箱

  • 公司*

  • 城市*

  • *验证码

  • 请详细描述您的需求*

我们承诺,通过本网站提交的所有信息将遵循我们的 隐私政策  进行安全处理和保护。 

意见